Sê -ri 32000 Vòng bi lăn thon
Sê -ri 32000 Vòng bi lăn thon
Sê -ri 32000 Vòng bi lăn thon

Sê -ri 32000

Vòng bi con lăn thon 32000 là ổ trục hiệu suất cao được sử dụng rộng rãi trong các lĩnh vực công nghiệp và cơ học. Nó chủ yếu được sử dụng để chịu tải trọng xuyên tâm và trục. Tính năng thiết kế của ổ trục này là đường tiếp xúc giữa con lăn thon và vòng trong và bên ngoài là tiếp xúc điểm, có thể phân phối hiệu quả tải, giảm ma sát và kéo dài tuổi thọ dịch vụ. Vòng bi loạt 32000 thường được làm bằng thép cường độ cao và có khả năng chống mài mòn tuyệt vời và khả năng chống nhiệt độ cao, làm cho chúng phù hợp để sử dụng trong môi trường làm việc khắc nghiệt. Nó được sử dụng rộng rãi trong ô tô, đường sắt, năng lượng gió, máy móc khai thác và các trường khác, đặc biệt là trong các tình huống cần tải trọng trục lớn. Chuỗi vòng bi này yêu cầu điều chỉnh và bôi trơn chính xác trong quá trình cài đặt để đảm bảo hiệu suất hoạt động tối ưu và độ ổn định.

Gửi yêu cầu

Thông số sản phẩm

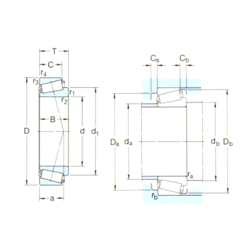
Chỉ định Kích thước chính (mm) Xếp hạng tải cơ bản (KN) Pu Xếp hạng tốc độ (RPM) Trọng lượng (kg) ISO335 Kích thước (mm) Kích thước Mộtbutment và fillet (mm) Giá trị
D1 D B Dyc (Cr) STC (COR) Xếp hạng tốc độ Tốc độ giới hạn Kích thước (ABMA) d D1 B C R1,2 (phút) R3,4 (phút) a da (max) DB (tối thiểu) Da (phút) Da (max) DB (tối thiểu) CA (Min) CB (tối thiểu) RA (Max) RB (Max) e Y Yo
32004x/q 20 42 15 28 27 2,7 13000 16000 0,097 3cc 20 31,1 15 12 0,6 0,6 10 25 25 36 37 39 2 3 0,6 0,6 0,37 1,6 0,9
320/22x 22 44 15 25,1 29 2,85 11000 15000 0,10 3cc 22 33,3 15 11,5 0,6 0,6 11 27 27 38 39 41 3 3,5 0,6 0,6 0,40 1,5 0,8
32005x/q 25 47 15 31 32,5 3,25 12000 14000 0,11 4cc 25 36,5 15 11,5 0,6 0,6 11 30 30 40 42 44 3 3,5 0,6 0,6 0,43 1,4 0,8
320/28x/q 28 52 16 36,5 38 4 10000 13000 0,15 4cc 28 40,3 16 12 1 1 12 34 34 45 46 49 3 4 1 1 0,43 1,4 0,8
32006x/q 30 55 17 40,5 44 4,55 10000 12000 0,17 4cc 30 43 17 13 1 1 13 35 36 48 49 52 3 4 1 1 0,43 1,4 0,8
320/32x/q 32 58 17 42,5 46,5 4,8 9000 11000 0,19 4cc 32 45,6 17 13 1 1 14 38 38 50 52 55 3 4 1 1 0,46 1,3 0,7
32008/38x/q 38 68 19 60 71 7,65 7500 10000 0,28 - 38 54,2 19 14,5 1 1 15 46 44 60 62 65 4 4,5 1 1 0,37 1,6 0,9
32008x/q 40 68 19 60 71 7,65 7500 9500 0,27 3cd 40 54,2 19 14,5 1 1 15 46 46 60 62 65 4 4,5 1 1 0,37 1,6 0,9
32008xtn9/q 40 68 19 60 71 7,65 7500 9500 0,27 3cd 40 54,2 19 14,5 1 1 15 46 46 60 62 65 4 4,5 1 1 0,37 1,6 0,9
33209/q 45 85 32 108 143 16,3 5300 7500 0,82 3DE 45 65,2 32 25 1,5 1,5 22 52 52 72 78 81 5 7 1,5 1,5 0,4 1,5 0,8
32010x/q 50 80 20 69,5 88 9,65 6300 8000 0,37 3cc 50 65,6 20 15,5 1 1 18 57 56 72 74 77 4 4,5 1 1 0,43 1,4 0,8
32010x/QCL7CVB026 50 80 20 69,5 88 9,65 6300 8000 0,37 3cc 50 65,6 20 15,5 3 1 18 57 62 72 74 77 4 4,5 2,5 1 0,43 1,4 0,8
32012x/QCL7C 60 95 23 95 122 13,4 5300 6700 0,59 4cc 60 77,8 23 17,5 1,5 1,5 21 67 67 85 88 91 4 5 1,5 1,5 0,43 1,4 0,8
32014x/q 70 110 25 116 153 17,3 4500 5600 0,84 4cc 70 89,8 25 19 1,5 1,5 23 78 77 98 103 105 5 6 1,5 1,5 0,43 1,4 0,8
32015x/q 75 115 25 122 163 18,6 4300 5300 0,90 4cc 75 95,1 25 19 1,5 1,5 25 83 82 103 108 110 5 6 1,5 1,5 0,46 1,3 0,7
32016x/q 80 125 29 138 216 24,5 3600 5000 1,30 3cc 80 103 29 22 1,5 1,5 27 90 87 112 117 120 6 7 1,5 1,5 0,43 1,4 0,8
32018x/q 90 140 32 168 270 31 3200 4300 1,75 3cc 90 115 32 24 2 1,5 30 100 98 125 132 134 6 8 2 1,5 0,43 1,4 0,8
32019x/q 95 145 32 168 270 30,5 3200 4300 1,80 4cc 95 120 32 24 2 1,5 31 105 104 130 138 139 6 8 2 1,5 0,44 1,35 0,8
32021x/q 105 160 35 201 335 37,5 2800 3800 2,40 4dc 105 132 35 26 2,5 2 34 116 116 143 150 154 6 9 2 2 0,44 1,35 0,8
32022x/q 110 170 38 233 390 42,5 2600 3600 3,05 4dc 110 140 38 29 2,5 2 36 123 121 152 160 163 7 9 2 2 0,43 1,4 0,8
32021x/q 105 160 35 201 335 37,5 2800 3800 2,40 4dc 105 132 35 26 2,5 2 34 116 116 143 150 154 6 9 2 2 0,44 1,35 0,8
32022x/q 110 170 38 233 390 42,5 2600 3600 3,05 4dc 110 140 38 29 2,5 2 36 123 121 152 160 163 7 9 2 2 0,43 1,4 0,8
32024x 120 180 38 242 415 44 2400 3400 3,25 4dc 120 150 38 29 2,5 2 39 132 131 161 170 173 7 9 2 2 0,46 1,3 0,7
32026X 130 200 45 314 540 55 2200 3000 4,95 4EC 130 165 45 34 2,5 2 42 144 142 178 190 192 7 11 2 2 0,43 1,4 0,8
32028x 140 210 45 330 585 58,5 2200 2800 5,25 4dc 140 175 45 34 2,5 2 46 153 152 187 200 202 7 11 2 2 0,46 1,3 0,7
32030x 150 225 48 369 655 65,5 2000 2600 6,35 4EC 150 187 48 36 3 2,5 49 164 164 200 213 216 8 12 2,5 2 0,46 1,3 0,7
32032x 160 240 51 429 780 78 1800 2400 7,75 4EC 160 200 51 38 3 2,5 52 175 174 213 228 231 8 13 2,5 2 0,46 1,3 0,7
32034x 170 260 57 512 915 90 1700 2200 10,5 4EC 170 214 57 43 3 2,5 56 188 184 230 246 249 10 14 2,5 2 0,44 1,35 0,8
32036x 180 280 64 644 1160 110 1600 2200 14,5 3FD 180 229 64 48 3 2,5 59 199 194 247 266 267 10 16 2,5 2 0,43 1,4 0,8
32038x 190 290 64 660 1200 112 1500 2000 15,0 4fd 190 240 64 48 3 2,5 62 210 204 257 276 279 10 16 2,5 2 0,44 1,35 0,8
32040x 200 310 70 748 1370 127 1400 1900 19,5 4fd 200 254 70 53 3 2,5 66 222 214 273 296 297 11 17 2,5 2 0,43 1,4 0,8
32044x 220 340 76 897 1660 150 1300 1700 25,5 4fd 220 279 76 57 4 3 72 244 236 300 325 326 12 19 3 2,5 0,43 1,4 0,8
32048x 240 360 76 935 1800 160 1200 1600 27,5 4fd 240 299 76 57 4 3 78 262 256 318 345 346 12 19 3 2,5 0,46 1,3 0,7
32052x 260 400 87 1170 2200 190 1100 1400 40,0 4fc 260 328 87 65 5 4 84 287 282 352 383 383 13 22 4 3 0,43 1,4 0,8
32056x 280 420 87 1210 2360 200 1000 1300 40,5 4fc 280 348 87 65 5 4 89 305 302 370 400 402 14 22 4 3 0,46 1,3 0,7
32060x 300 460 100 1540 3000 250 900 1200 58,0 4GD 300 377 100 74 5 4 97 330 322 404 440 439 15 26 4 3 0,43 1,4 0,8
32064x 320 480 100 1540 3100 255 850 1100 64,0 4GD 320 399 100 74 5 4 103 350 342 424 460 461 15 26 4 3 0,46 1,3 0,7

Giới thiệu Yinin

Công ty truyền tải và truyền tải Yinin Thượng Hải Được thành lập vào năm 2009, với hơn 20 năm kinh nghiệm trong lĩnh vực vòng bi. Chúng tôi là Trung Quốc Sê -ri 32000 Vòng bi lăn thon Nhà sản xuất Và cung cấp Tùy chỉnh Sê -ri 32000 Vòng bi lăn thon Nhà máy. Kể từ năm 1999, chúng tôi đã hoạt động như một đại lý cho các nhà sản xuất vòng bi Trung Quốc, xuất khẩu nhiều loại vòng bi khác nhau. Ngày nay, chúng tôi đã phát triển thành một nhóm vòng bi toàn diện tích hợp bán hàng và sản xuất.

Ứng dụng trong ngành

Vòng bi cũng đóng một vai trò rất quan trọng trong máy móc nông nghiệp. Chúng được sử dụng để hỗ ...

Vòng bi được sử dụng rộng rãi trong ô tô. Chúng là bộ phận hỗ trợ và xoay chính của nhiều bộ phận...

Được sử dụng để hỗ trợ, chiều cao, góc, khớp và các bộ phận xoay của thiết bị y tế.

Được sử dụng để hỗ trợ, xoay, động cơ và máy nén của các thiết bị gia dụng.

Được sử dụng để xoay và chuyển động của hỗ trợ và hướng dẫn các bộ phận của thiết bị tự động hóa ...

Trong các cấu trúc xây dựng, vòng bi có thể được sử dụng để kết nối các thành phần cấu trúc khác ...

Trong quá trình sản xuất thực phẩm và đồ uống, cần thiết để vận chuyển chất lỏng và máy nén được ...

Vòng bi được sử dụng trong máy bay và động cơ tàu vũ trụ để hỗ trợ các thành phần quay như tuabin...

Thông tin tin tức

Tìm hiểu thêm

2026-02-26

Sự khác biệt quan trọng giữa cấp chính xác P6 và P5 đối...
Trong thế giới gia công Điều khiển số máy tính (CNC) có độ chính xác cao, hiệu suất của vòng bi 6000 là cơ bản để đạt được độ chính xác dưới micron. Với tư cách là lao động của Vòng bi c...

2026-02-19

Phân tích kỹ thuật: Sự khác biệt chính giữa Vòng bi cầu...
Trong lĩnh vực kỹ thuật có độ chính xác cao, việc lựa chọn vật liệu chính xác cho vòng bi cầu rãnh sâu bằng thép không gỉ là quyết định quyết định tuổi thọ hoạt động và độ an toàn của...

2026-02-12

Vòng bi thép không gỉ 6200 có cần thiết cho môi trường ...
Trong lĩnh vực kỹ thuật chuyển động quay, dòng 6200 là một trong những vòng bi rãnh sâu được sử dụng rộng rãi nhất nhờ tính linh hoạt và khả năng chịu tải hướng tâm được tối ưu hóa. Tuy nhiên, khi ...

Liên hệ với chúng tôi

SUBMIT

Tư vấn kỹ thuật

  • Công ty truyền tải và truyền tải Yinin Thượng Hải

    Giải pháp tùy chỉnh

  • Công ty truyền tải và truyền tải Yinin Thượng Hải

    Nghiên cứu và phát triển liên tục

  • Công ty truyền tải và truyền tải Yinin Thượng Hải

    Kiểm soát chất lượng

  • Công ty truyền tải và truyền tải Yinin Thượng Hải

    Hỗ trợ kỹ thuật và đào tạo

  • Công ty truyền tải và truyền tải Yinin Thượng Hải

    Phản hồi nhanh

Nếu bạn có bất kỳ tư vấn kỹ thuật hoặc phản hồi nào, chúng tôi sẽ cung cấp cho bạn câu trả lời chuyên nghiệp nhất trong thời gian sớm nhất!

Liên hệ với chúng tôi