Công ty truyền tải và truyền tải Yinin Thượng Hải
Công ty truyền tải và truyền tải Yinin Thượng Hải

Sự thi công

Trong các cấu trúc xây dựng, vòng bi có thể được sử dụng để kết nối các thành phần cấu trúc khác nhau.

Liên hệ với chúng tôi

Sản phẩm liên quan

  • ×

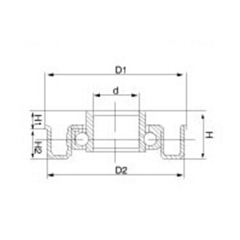
    Mục số. D1 D2 H H1 H2 đ Nhận xét
    MTR42.2 42.3 38,2 0,1 16.3 5.5 10.8 12,2 0,05 Vòng trong màu đen
    MTR48.6 48.2 44 0,1 16 5.5 10.5 12.2 Vòng trong màu đen
    MTR50,8 50.5 48 0,1 17 5.5 11.5 12,2 0,05 Vòng trong màu đen
    MTR60,45 58.5 55 0,1 18 5.5 12.5 12,2 0,05 Vòng trong màu đen
    MTR38 38-0,01 35-0,1 15.8 3.8 12 10.2 Vòng trong màu đen
    MTR59 59 0,1 56-0,1 19.5 5 14.5 12.2 Vòng trong màu đen
    MTR59 59 0,1 56-0,1 19.5 5 14.5 12.2 Vòng trong màu đen

    Dòng MTR

    Vòng bi lăn băng tải dòng MTR là vòng bi hiệu suất cao được thiết kế cho hệ thống băng tải nặng và tốc độ cao. Loại ổ trục này có khả năng chống mài mòn và chống ăn mòn tuyệt vời, đồng thời c...
    Thông số sản phẩm
    Dòng MTR
  • ×

    Mục số D1 D2 H H1 H2 d Nhận xét
    1237W 40 37 13.5 8.5 5 12 Vỏ thép ép
    1238W 37.5 35 13.5 8.5 5 12 Vỏ thép ép
    1245W 45 42 15 10 5 12 Vỏ thép ép
    1250W 50 48 13.5 8.5 5 12 Vỏ thép ép
    1255W 55 51 16 11 5 12 Vỏ thép ép
    1260W 59 56 17 11.8 5.2 12 Vỏ thép ép
    1560W 60 55.5 16 10.5 5.5 15 Vỏ thép ép
    1257W 57 54 22 11 11 12 Vỏ thép ép
    1257-16 57 54 16 11 5 12 Vỏ thép ép
    1248W 48 42 15 13 2 12 Vỏ thép ép

    W sê -ri

    Vòng bi lăn của W là một ổ trục được thiết kế đặc biệt cho các hệ thống băng tải. Nó thường được sử dụng trong các con lăn đai băng tải để cung cấp hỗ trợ xoay ma sát thấp và hiệu quả cao. Những vò...
    Thông số sản phẩm
    W sê -ri
  • ×

    Mục số D1 D2 H H1 H2 d Nhận xét
    MRC1238 37.8 35.6 15 10 5 12.2 Với vòng bi chính xác
    MRC1238 38 35 15 10 5 12.2 Với vòng bi chính xác
    MRC1242 42 38 - - - 12.2 Với vòng bi chính xác
    MRC1250 50.8 48 18.5 12.8 5.7 12.2 Với vòng bi chính xác
    MRC1259 59 55 20 14 6 12.2 Với vòng bi chính xác
    MRC1260 60 56 20 14 6 12.2 Với vòng bi chính xác
    MRC1559 59 55 20 14 6 15.2 Với vòng bi chính xác
    MRC1560 60 56 20 14 6 15.2 Với vòng bi chính xác
    MRC2075 75 71 - - - 20 Với bóng chính xác mang

    Sê -ri MRC

    Vòng bi chuyển băng tải MRC là ổ trục công nghiệp hiệu suất cao được thiết kế dành riêng cho các hệ thống băng tải để tăng hiệu quả và độ bền. Chúng được làm bằng các vật liệu chất lượng cao, có kh...
    Thông số sản phẩm
    Sê -ri MRC
  • ×

    Mục số D d H H1
    Kolo 650 49.5 6.5 23.5 14.5
    Kolo 1250 49.5 12 23.5 14.5
    Kolo 1144 44 11 13.5 12.5
    Kolo 1444 44 14 13.5 12.5
    Kolo 1040 40 10 13 12
    Kolo 1055 55 10 16 14
    Kolo 1255 55 12 16 14
    Kolo 1560 60 15 17 14.5
    Kolo 1260 60 12 17 14.5
    Kolo 0850 50 8 23.5 15
    Kolo 0638 38 6 11 25
    Kolo 0848 48 8 23.5 15
    Kolo 0648 48 6 24 15.4
    Kolo 0850-32 50 8 32 15

    Sê -ri Kolo

    Vòng bi lăn của Kolo Series là vòng bi hiệu suất cao được thiết kế dành riêng cho các hệ thống băng tải với độ bền và độ tin cậy tuyệt vời. Loạt vòng bi này được làm bằng các vật liệu chất lượng ca...
    Thông số sản phẩm
    Sê -ri Kolo
  • ×

    Mục số D D1 D2 R H H1 H2
    BT5/8 48.5 32.2 40 4 19.9 16.4 15.35
    BT1 70 51 52 5.5 31 23.5 18
    BT1-1/4 86 63 70 7 39 31 22
    BT1-1/2 - - - - - - -

    Sê -ri BT

    Vòng bi chuyển tiếp của BT Series là vòng bi hiệu suất cao được thiết kế đặc biệt để truyền tải các hệ thống và được sử dụng rộng rãi trong thiết bị truyền tải và xử lý vật liệu. Thiết kế độc đáo c...
    Thông số sản phẩm
    Sê -ri BT