Vòng bi bóng nhỏ mặt bích số liệu là một loại ổ trục được sử dụng rộng rãi trong máy móc chính xác, đặc biệt phù hợp cho các thiết bị có không gian hạn chế và yêu cầu hiệu suất cao. Vòng bi như vậy thường được sản xuất từ các vật liệu chất lượng cao để đảm bảo độ bền và độ ổn định của chúng. Thiết kế mặt bích của nó cung cấp hỗ trợ bổ sung, tạo điều kiện cài đặt và cũng có thể giảm hiệu quả sự dịch chuyển của ổ trục trong quá trình hoạt động. Các tính năng chính của ổ bi nhỏ này bao gồm hệ số ma sát thấp, khả năng tốc độ quay cao và khả năng mang tải tuyệt vời. Chúng phù hợp cho một loạt các ứng dụng như dụng cụ điện, robot, máy in và động cơ nhỏ. Về mặt thiết kế, vòng bi bóng nhỏ mặt bích số liệu cũng chú ý đến các chi tiết và thường có sẵn ở các kích cỡ và cấu hình khác nhau để đáp ứng nhu cầu của các thiết bị khác nhau. Vòng bi thường được bôi trơn hoặc niêm phong trước.
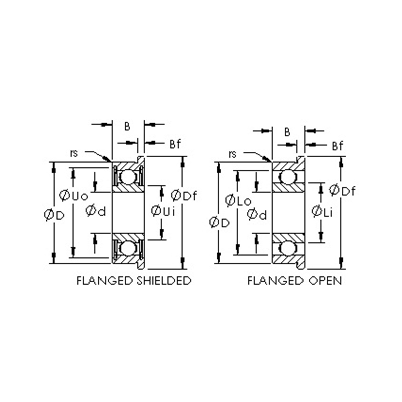
Thông số sản phẩm
| Số sản phẩm | Loại mang | Kích thước (mm) | Xếp hạng tải cơ bản (N) | |||||
| d | D | B | DF | BF | Xếp hạng tải động (CR) | Xếp hạng tải tĩnh (COR) | ||
| F691 | Mở vòng bi mặt bích | 1 | 4 | 1.6 | 5 | 0.5 | 120 | 30 |
| MF41X | Mở vòng bi mặt bích | 1.2 | 4 | 1.8 | 4.8 | 0.4 | 95 | 26 |
| F681X | Mở vòng bi mặt bích | 1.5 | 4 | 1.2 | 5 | 0.4 | 95 | 26 |
| F681XZZ | Vòng bi mặt bích niêm phong | 1.5 | 4 | 2 | 5 | 0.6 | 95 | 26 |
| F691X | Mở vòng bi mặt bích | 1.5 | 5 | 2 | 6.5 | 0.6 | 144 | 40 |
| F691XZZ | Vòng bi mặt bích niêm phong | 1.5 | 5 | 2.6 | 6.5 | 0.8 | 144 | 40 |
| F601X | Mở vòng bi mặt bích | 1.5 | 6 | 2.5 | 7.5 | 0.6 | 281 | 79 |
| F601XZZ | Vòng bi mặt bích niêm phong | 1.5 | 6 | 3 | 7.5 | 0.8 | 281 | 79 |
| F682 | Mở vòng bi mặt bích | 2 | 5 | 1.5 | 6.1 | 0.5 | 144 | 40 |
| F682 2rs | Vòng bi mặt bích niêm phong | 2 | 5 | 1.5 | 6.1 | 0.5 | 144 | 40 |
| F682ZZ | Vòng bi mặt bích niêm phong | 2 | 5 | 2.3 | 6.1 | 0.6 | 144 | 40 |
| MF52 | Mở vòng bi mặt bích | 2 | 5 | 2 | 6.2 | 0.6 | 144 | 40 |
| MF52 2RS | Vòng bi mặt bích niêm phong | 2 | 5 | 2 | 6.2 | 0.6 | 144 | 40 |
| MF52ZZ | Vòng bi mặt bích niêm phong | 2 | 5 | 2.5 | 6.2 | 0.6 | 144 | 40 |
| F692 | Mở vòng bi mặt bích | 2 | 6 | 2.3 | 7.5 | 0.6 | 281 | 79 |
| F692 2rs | Vòng bi mặt bích niêm phong | 2 | 6 | 3 | 7.5 | 0.8 | 281 | 79 |
| F692zz | Vòng bi mặt bích niêm phong | 2 | 6 | 3 | 7.5 | 0.8 | 281 | 79 |
| MF62 | Mở vòng bi mặt bích | 2 | 6 | 2.5 | 7.2 | 0.6 | 281 | 79 |
| MF62 2RS | Vòng bi mặt bích niêm phong | 2 | 6 | 2.5 | 7.2 | 0.6 | 281 | 79 |
| MF62ZZ | Vòng bi mặt bích niêm phong | 2 | 6 | 2.5 | 7.2 | 0.6 | 281 | 79 |
| MF72 | Mở vòng bi mặt bích | 2 | 7 | 2.5 | 8.2 | 0.6 | 328 | 103 |
| MF72 2RS | Vòng bi mặt bích niêm phong | 2 | 7 | 3 | 8.2 | 0.6 | 328 | 103 |
| MF72ZZ | Vòng bi mặt bích niêm phong | 2 | 7 | 3 | 8.2 | 0.6 | 328 | 103 |
| F602 | Mở vòng bi mặt bích | 2 | 7 | 2.8 | 8.5 | 0.7 | 328 | 103 |
| F602 2rs | Vòng bi mặt bích niêm phong | 2 | 7 | 2.8 | 8.5 | 0.7 | 328 | 103 |
| F602zz | Vòng bi mặt bích niêm phong | 2 | 7 | 3.5 | 8.5 | 0.9 | 328 | 103 |
| F682X | Mở vòng bi mặt bích | 2.5 | 6 | 1.8 | 7.1 | 0.5 | 178 | 59 |
| F682X 2RS | Vòng bi mặt bích niêm phong | 2.5 | 6 | 1.8 | 7.1 | 0.5 | 178 | 59 |
| F682XZZ | Vòng bi mặt bích niêm phong | 2.5 | 6 | 2.6 | 7.1 | 0.8 | 178 | 59 |
| F692X | Mở vòng bi mặt bích | 2.5 | 7 | 2.5 | 8.5 | 0.7 | 328 | 103 |
| F692X 2RS | Vòng bi mặt bích niêm phong | 2.5 | 7 | 3.5 | 8.5 | 0.9 | 328 | 103 |
| F692xzz | Vòng bi mặt bích niêm phong | 2.5 | 7 | 3.5 | 8.5 | 0.9 | 328 | 103 |
| MF82X | Mở vòng bi mặt bích | 2.5 | 8 | 2.5 | 9.2 | 0.6 | 180 | 67 |
| MF82X 2RS | Vòng bi mặt bích niêm phong | 2.5 | 8 | 2.5 | 9.2 | 0.6 | 180 | 67 |
| MF82XZZ | Vòng bi mặt bích niêm phong | 2.5 | 8 | 2.5 | 9.2 | 0.6 | 180 | 67 |
| F602X | Mở vòng bi mặt bích | 2.5 | 8 | 2.8 | 9.5 | 0.7 | 469 | 142 |
| F602X 2RS | Vòng bi mặt bích niêm phong | 2.5 | 8 | 4 | 9.5 | 0.9 | 469 | 142 |
| F602XZZ | Vòng bi mặt bích niêm phong | 2.5 | 8 | 4 | 9.5 | 0.9 | 469 | 142 |
| MF63 | Mở vòng bi mặt bích | 3 | 6 | 2 | 7.2 | 0.6 | 178 | 59 |
| MF63 2RS | Vòng bi mặt bích niêm phong | 3 | 6 | 2 | 7.2 | 0.6 | 178 | 59 |
| MF63ZZ | Vòng bi mặt bích niêm phong | 3 | 6 | 2.5 | 7.2 | 0.6 | 178 | 59 |
| F683 | Mở vòng bi mặt bích | 3 | 7 | 2 | 8.1 | 0.5 | 264 | 90 |
| F683 2rs | Vòng bi mặt bích niêm phong | 3 | 7 | 3 | 8.1 | 0.8 | 264 | 90 |
| F683zz | Vòng bi mặt bích niêm phong | 3 | 7 | 3 | 8.1 | 0.8 | 264 | 90 |
| MF83 | Mở vòng bi mặt bích | 3 | 8 | 2.5 | 9.2 | 0.6 | 336 | 113 |
| MF83 2RS | Vòng bi mặt bích niêm phong | 3 | 8 | 2.5 | 9.2 | 0.6 | 336 | 113 |
| MF83ZZ | Vòng bi mặt bích niêm phong | 3 | 8 | 3 | 9.2 | 0.6 | 336 | 113 |
| F693 | Mở vòng bi mặt bích | 3 | 8 | 3 | 9.5 | 0.7 | 474 | 114 |
| F693 2rs | Vòng bi mặt bích niêm phong | 3 | 8 | 4 | 9.5 | 0.9 | 474 | 144 |
| F693zz | Vòng bi mặt bích niêm phong | 3 | 8 | 4 | 9.5 | 0.9 | 474 | 144 |
| MF93 | Mở vòng bi mặt bích | 3 | 9 | 2.5 | 10.2 | 0.6 | 485 | 151 |
| MF93 2r | Vòng bi mặt bích niêm phong | 3 | 9 | 2.5 | 10.2 | 0.6 | 485 | 151 |
| MF93ZZ | Vòng bi mặt bích niêm phong | 3 | 9 | 4 | 10.6 | 0.8 | 485 | 151 |
| F603 | Mở vòng bi mặt bích | 3 | 9 | 3 | 10.5 | 0.7 | 230 | 151 |
| F603 2rs | Vòng bi mặt bích niêm phong | 3 | 9 | 5 | 10.5 | 0.7 | 230 | 151 |
| F603zz | Vòng bi mặt bích niêm phong | 3 | 9 | 5 | 10.5 | 1 | 230 | 151 |
| F623 | Mở vòng bi mặt bích | 3 | 10 | 4 | 11.5 | 1 | 536 | 175 |
| F623 2rs | Vòng bi mặt bích niêm phong | 3 | 10 | 4 | 11.5 | 1 | 536 | 175 |
| F623zz | Vòng bi mặt bích niêm phong | 3 | 10 | 4 | 11.5 | 1 | 536 | 175 |
| MF74 | Mở vòng bi mặt bích | 4 | 7 | 2 | 8.2 | 0.6 | 264 | 92 |
| MF74 2RS | Vòng bi mặt bích niêm phong | 4 | 7 | 2 | 8.2 | 0.6 | 264 | 92 |
| MF74ZZ | Vòng bi mặt bích niêm phong | 4 | 7 | 2.5 | 8.2 | 0.6 | 217 | 86 |
| MF84 | Mở vòng bi mặt bích | 4 | 8 | 2 | 9.2 | 0.6 | 336 | 113 |
| MF84 2RS | Vòng bi mặt bích niêm phong | 4 | 8 | 2 | 9.2 | 0.6 | 336 | 113 |
| MF84ZZ | Vòng bi mặt bích niêm phong | 4 | 8 | 3 | 9.2 | 0.6 | 336 | 113 |
| F684 | Mở vòng bi mặt bích | 4 | 9 | 2.5 | 10.3 | 0.6 | 545 | 182 |
| F684 2rs | Vòng bi mặt bích niêm phong | 4 | 9 | 4 | 10.3 | 1 | 545 | 182 |
| F684zz | Vòng bi mặt bích niêm phong | 4 | 9 | 4 | 10.3 | 1 | 545 | 182 |
| MF104 | Mở vòng bi mặt bích | 4 | 10 | 3 | 11.2 | 0.6 | 604 | 218 |
| MF104 2RS | Vòng bi mặt bích niêm phong | 4 | 10 | 4 | 11.6 | 0.8 | 604 | 218 |
| MF104ZZ | Vòng bi mặt bích niêm phong | 4 | 10 | 4 | 11.6 | 0.8 | 604 | 218 |
| F694 | Mở vòng bi mặt bích | 4 | 11 | 4 | 12.5 | 1 | 814 | 280 |
| F694 2rs | Vòng bi mặt bích niêm phong | 4 | 11 | 4 | 12.5 | 1 | 814 | 280 |
| F694zz | Vòng bi mặt bích niêm phong | 4 | 11 | 4 | 12.5 | 1 | 814 | 280 |
| F604 | Mở vòng bi mặt bích | 4 | 12 | 4 | 13.5 | 1 | 814 | 280 |
| F604 2rs | Vòng bi mặt bích niêm phong | 4 | 12 | 5 | 13.5 | 1 | 814 | 280 |
| F604zz | Vòng bi mặt bích niêm phong | 4 | 12 | 5 | 13.5 | 1 | 814 | 280 |
| F624 | Mở vòng bi mặt bích | 4 | 13 | 5 | 15 | 1 | 1106 | 390 |
| F624 2rs | Vòng bi mặt bích niêm phong | 4 | 13 | 5 | 15 | 1 | 1106 | 390 |
| F624zz | Vòng bi mặt bích niêm phong | 4 | 13 | 5 | 15 | 1 | 1106 | 390 |
| F634 | Mở vòng bi mặt bích | 4 | 16 | 5 | 18 | 1 | 1139 | 418 |
| F634 2rs | Vòng bi mặt bích niêm phong | 4 | 16 | 5 | 18 | 1 | 1139 | 418 |
| F634zz | Vòng bi mặt bích niêm phong | 4 | 16 | 5 | 18 | 1 | 1139 | 418 |
| MF85 | Mở vòng bi mặt bích | 5 | 8 | 2 | 9.2 | 0.6 | 262 | 96 |
| MF85 2RS | Vòng bi mặt bích niêm phong | 5 | 8 | 2.5 | 9.2 | 0.6 | 185 | 72 |
| MF85ZZ | Vòng bi mặt bích niêm phong | 5 | 8 | 2.5 | 9.2 | 0.6 | 185 | 72 |
| MF95 | Mở vòng bi mặt bích | 5 | 9 | 2.5 | 10.2 | 0.6 | 366 | 135 |
| MF95 2RS | Vòng bi mặt bích niêm phong | 5 | 9 | 3 | 10.2 | 0.6 | 366 | 135 |
| MF95ZZ | Vòng bi mặt bích niêm phong | 5 | 9 | 3 | 10.2 | 0.6 | 366 | 135 |
| MF105 | Mở vòng bi mặt bích | 5 | 10 | 3 | 11.2 | 0.6 | 366 | 135 |
| MF105 2RS | Vòng bi mặt bích niêm phong | 5 | 10 | 4 | 11.6 | 0.8 | 366 | 135 |
| MF105ZZ | Vòng bi mặt bích niêm phong | 5 | 10 | 4 | 11.6 | 0.8 | 366 | 135 |
| MF115 2RS | Vòng bi mặt bích niêm phong | 5 | 11 | 4 | 12.6 | 0.8 | 609 | 226 |
| MF115ZZ | Vòng bi có mặt bích được bảo vệ | 5 | 11 | 4 | 12.6 | 0.8 | 609 | 226 |
| MF115 | Mở vòng bi mặt bích | 5 | 11 | 4 | 12.6 | 0.8 | 609 | 226 |
| F685 | Mở vòng bi mặt bích | 5 | 11 | 3 | 12.5 | 0.8 | 609 | 226 |
| F685 2rs | Vòng bi mặt bích niêm phong | 5 | 11 | 5 | 12.5 | 1 | 609 | 226 |
| F685zz | Vòng bi mặt bích niêm phong | 5 | 11 | 5 | 12.5 | 1 | 609 | 226 |
| F695 | Mở vòng bi mặt bích | 5 | 13 | 4 | 15 | 1 | 916 | 346 |
| F695 2rs | Vòng bi mặt bích niêm phong | 5 | 13 | 4 | 15 | 1 | 916 | 346 |
| F695zz | Vòng bi mặt bích niêm phong | 5 | 13 | 4 | 15 | 1 | 916 | 346 |
| F605 | Mở vòng bi mặt bích | 5 | 14 | 5 | 16 | 1 | 1130 | 406 |
| F605 2rs | Vòng bi mặt bích niêm phong | 5 | 14 | 5 | 16 | 1 | 1130 | 406 |
| F605ZZ | Vòng bi mặt bích niêm phong | 5 | 14 | 5 | 16 | 1 | 1130 | 406 |
| F625 | Mở vòng bi mặt bích | 5 | 16 | 5 | 18 | 1 | 1470 | 540 |
| F625 2rs | Vòng bi mặt bích niêm phong | 5 | 16 | 5 | 18 | 1 | 1470 | 540 |
| F625zz | Vòng bi mặt bích niêm phong | 5 | 16 | 5 | 18 | 1 | 1470 | 540 |
| F635 | Mở vòng bi mặt bích | 5 | 19 | 6 | 22 | 1.5 | 1986 | 717 |
| F635 2rs | Vòng bi mặt bích niêm phong | 5 | 19 | 6 | 22 | 1.5 | 1986 | 717 |
| F635zz | Vòng bi mặt bích niêm phong | 5 | 19 | 6 | 22 | 1.5 | 1986 | 717 |
| MF106 | Mở vòng bi mặt bích | 6 | 10 | 2.5 | 11.2 | 0.6 | 422 | 174 |
| MF106 2RS | Vòng bi mặt bích niêm phong | 6 | 10 | 3 | 11.2 | 0.6 | 422 | 174 |
| MF106ZZ | Vòng bi mặt bích niêm phong | 6 | 10 | 3 | 11.2 | 0.6 | 422 | 174 |
| MF126 | Mở vòng bi mặt bích | 6 | 12 | 3 | 13.2 | 0.6 | 609 | 236 |
| MF126 2RS | Vòng bi mặt bích niêm phong | 6 | 12 | 4 | 13.6 | 0.8 | 609 | 236 |
| MF126ZZ | Vòng bi mặt bích niêm phong | 6 | 12 | 4 | 13.6 | 0.8 | 609 | 236 |
| F686 | Mở vòng bi mặt bích | 6 | 13 | 3.5 | 15 | 1 | 920 | 354 |
| F686 2rs | Vòng bi mặt bích niêm phong | 6 | 13 | 5 | 15 | 1.1 | 920 | 354 |
| F686ZZ | Vòng bi mặt bích niêm phong | 6 | 13 | 5 | 15 | 1.1 | 920 | 354 |
| F696 | Mở vòng bi mặt bích | 6 | 15 | 5 | 17 | 1.2 | 1139 | 418 |
| F696 2rs | Vòng bi mặt bích niêm phong | 6 | 15 | 5 | 17 | 1.2 | 1139 | 418 |
| F696ZZ | Vòng bi mặt bích niêm phong | 6 | 15 | 5 | 17 | 1.2 | 1139 | 418 |
| F606 | Mở vòng bi mặt bích | 6 | 17 | 6 | 19 | 1.2 | 1924 | 677 |
| F606 2rs | Vòng bi mặt bích niêm phong | 6 | 17 | 6 | 19 | 1.2 | 1924 | 677 |
| F606ZZ | Vòng bi mặt bích niêm phong | 6 | 17 | 6 | 19 | 1.2 | 1924 | 677 |
| F626 | Mở vòng bi mặt bích | 6 | 19 | 6 | 22 | 1.5 | 1986 | 717 |
| F626 2rs | Vòng bi mặt bích niêm phong | 6 | 19 | 6 | 22 | 1.5 | 1986 | 717 |
| F626zz | Vòng bi mặt bích niêm phong | 6 | 19 | 6 | 22 | 1.5 | 1986 | 717 |
| MF117 | Mở vòng bi mặt bích | 7 | 11 | 2.5 | 12.2 | 0.6 | 387 | 162 |
| MF117 2RS | Vòng bi mặt bích niêm phong | 7 | 11 | 3 | 12.2 | 0.6 | 387 | 162 |
| MF117ZZ | Vòng bi mặt bích niêm phong | 7 | 11 | 3 | 12.2 | 0.6 | 387 | 162 |
| MF137 | Mở vòng bi mặt bích | 7 | 13 | 3 | 14.2 | 0.6 | 460 | 221 |
| MF137 2RS | Vòng bi mặt bích niêm phong | 7 | 13 | 4 | 14.6 | 0.8 | 460 | 221 |
| MF137ZZ | Vòng bi mặt bích niêm phong | 7 | 13 | 4 | 14.6 | 0.8 | 460 | 221 |
| F687 | Mở vòng bi mặt bích | 7 | 14 | 3.5 | 16 | 1 | 997 | 410 |
| F687 2rs | Vòng bi mặt bích niêm phong | 7 | 14 | 5 | 16 | 1.1 | 997 | 410 |
| F687zz | Vòng bi mặt bích niêm phong | 7 | 14 | 5 | 16 | 1.1 | 997 | 410 |
| F697 | Mở vòng bi mặt bích | 7 | 17 | 5 | 19 | 1.2 | 1364 | 575 |
| F697 2rs | Vòng bi mặt bích niêm phong | 7 | 17 | 5 | 19 | 1.2 | 1364 | 575 |
| F697zz | Vòng bi mặt bích niêm phong | 7 | 17 | 5 | 19 | 1.2 | 1364 | 575 |
| F607 | Mở vòng bi mặt bích | 7 | 19 | 6 | 22 | 1.5 | 1986 | 717 |
| F607 2rs | Vòng bi mặt bích niêm phong | 7 | 19 | 6 | 22 | 1.5 | 1986 | 717 |
| F607zz | Vòng bi mặt bích niêm phong | 7 | 19 | 6 | 22 | 1.5 | 1986 | 717 |
| F627 | Mở vòng bi mặt bích | 7 | 22 | 7 | 25 | 1.5 | 2794 | 1103 |
| F627 2rs | Vòng bi mặt bích niêm phong | 7 | 22 | 7 | 25 | 1.5 | 2794 | 1103 |
| F627zz | Vòng bi mặt bích niêm phong | 7 | 22 | 7 | 25 | 1.5 | 2794 | 1103 |
| MF128 | Mở vòng bi mặt bích | 8 | 12 | 2.5 | 13.2 | 0.6 | 462 | 219 |
| MF128 2RS | Vòng bi mặt bích niêm phong | 8 | 12 | 3.5 | 13.6 | 0.8 | 462 | 219 |
| MF128ZZ | Vòng bi mặt bích niêm phong | 8 | 12 | 3.5 | 13.6 | 0.8 | 462 | 219 |
| MF148 | Mở vòng bi mặt bích | 8 | 14 | 3.5 | 15.6 | 0.8 | 695 | 309 |
| MF148 2RS | Vòng bi mặt bích niêm phong | 8 | 14 | 4 | 15.6 | 0.8 | 695 | 309 |
| MF148ZZ | Vòng bi mặt bích niêm phong | 8 | 14 | 4 | 15.6 | 0.8 | 695 | 309 |
| F688 | Mở vòng bi mặt bích | 8 | 16 | 4 | 18 | 1 | 1064 | 474 |
| F688 2rs | Vòng bi mặt bích niêm phong | 8 | 16 | 5 | 18 | 1.1 | 1064 | 474 |
| F688zz | Vòng bi mặt bích niêm phong | 8 | 16 | 5 | 18 | 1.1 | 1064 | 474 |
| F698 | Mở vòng bi mặt bích | 8 | 19 | 6 | 22 | 1.5 | 1902 | 734 |
| F698 2rs | Vòng bi mặt bích niêm phong | 8 | 19 | 6 | 22 | 1.5 | 1902 | 734 |
| F698ZZ | Vòng bi mặt bích niêm phong | 8 | 19 | 6 | 22 | 1.5 | 1902 | 734 |
| F608 | Mở vòng bi mặt bích | 8 | 22 | 7 | 25 | 1.5 | 2799 | 1103 |
| F608 2rs | Vòng bi mặt bích niêm phong | 8 | 22 | 7 | 25 | 1.5 | 2799 | 1103 |
| F608zz | Vòng bi mặt bích niêm phong | 8 | 22 | 7 | 25 | 1.5 | 2799 | 1103 |
| F679 | Mở vòng bi mặt bích | 9 | 14 | 3 | 15.5 | 0.8 | 781 | 374 |
| F679 2rs | Vòng bi mặt bích niêm phong | 9 | 14 | 4.5 | 15.5 | 0.8 | 781 | 374 |
| F679zz | Vòng bi mặt bích niêm phong | 9 | 14 | 4.5 | 15.5 | 0.8 | 781 | 374 |
| F689 | Mở vòng bi mặt bích | 9 | 17 | 4 | 19 | 1 | 1128 | 534 |
| F689 2rs | Vòng bi mặt bích niêm phong | 9 | 17 | 5 | 19 | 1.1 | 1128 | 534 |
| F689ZZ | Vòng bi mặt bích niêm phong | 9 | 17 | 5 | 19 | 1.1 | 1128 | 534 |
| F699 | Mở vòng bi mặt bích | 9 | 20 | 6 | 23 | 1.5 | 2097 | 865 |
| F699 2rs | Vòng bi mặt bích niêm phong | 9 | 20 | 6 | 23 | 1.5 | 2097 | 865 |
| F699zz | Vòng bi mặt bích niêm phong | 9 | 20 | 6 | 23 | 1.5 | 2097 | 865 |
| F609 | Mở vòng bi mặt bích | 9 | 24 | 7 | 27 | 1.5 | 2853 | 1155 |
| F609 2rs | Vòng bi mặt bích niêm phong | 9 | 24 | 7 | 27 | 1.5 | 2853 | 1155 |
| F609ZZ | Vòng bi mặt bích niêm phong | 9 | 24 | 7 | 27 | 1.5 | 2853 | 1155 |
Giới thiệu Yinin
Ứng dụng trong ngành
Thông tin tin tức
Liên hệ với chúng tôi
Tư vấn kỹ thuật
Giải pháp tùy chỉnh
Nghiên cứu và phát triển liên tục
Kiểm soát chất lượng
Hỗ trợ kỹ thuật và đào tạo
Phản hồi nhanh
Nếu bạn có bất kỳ tư vấn kỹ thuật hoặc phản hồi nào, chúng tôi sẽ cung cấp cho bạn câu trả lời chuyên nghiệp nhất trong thời gian sớm nhất!